Products
400-820-9728
Product Categories
hose
Joint
Hydraulic equipment
Fluid control valves
Rigid tubes

English

Products
hose
Joint
400-820-9728

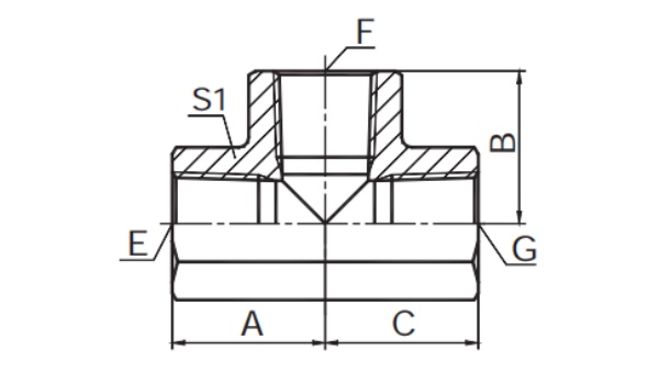
KFGT-PK

Inch cone pipe internal threaded tee

Filter by:
Order number Thread E Thread F Thread G A B C L S1


● Material: carbon steel/stainless steel
● High-strength material, corrosion-resistant, high-pressure resistant
● Suitable for all kinds of harsh industrial environments
● Excellent sealing performance to ensure zero leakage and provide a long-lasting and stable connection for your equipment